首页
关于我们
技术概况
企业文化
发展历程
企业荣誉
技术架构
核心云开官网登录-云开(中国)
全自动玻璃盖板印刷系
全自动烘烤炉系列
3D玻璃全制程系列
其他
新闻中心
技术动态
行业资讯
视频中心
投资者关系
实时行情
公告
信息披露
招贤纳士
员工福利
招贤纳士
投送简历
联系我们
EN
/
中文
语言
导航
EN
中文
首页
关于我们
技术概况
企业文化
发展历程
企业荣誉
技术架构
核心云开官网登录-云开(中国)
全自动玻璃盖板印刷系
全自动烘烤炉系列
3D玻璃全制程系列
其他
新闻中心
技术动态
行业资讯
视频中心
投资者关系
实时行情
公告
信息披露
招贤纳士
员工福利
招贤纳士
投送简历
联系我们
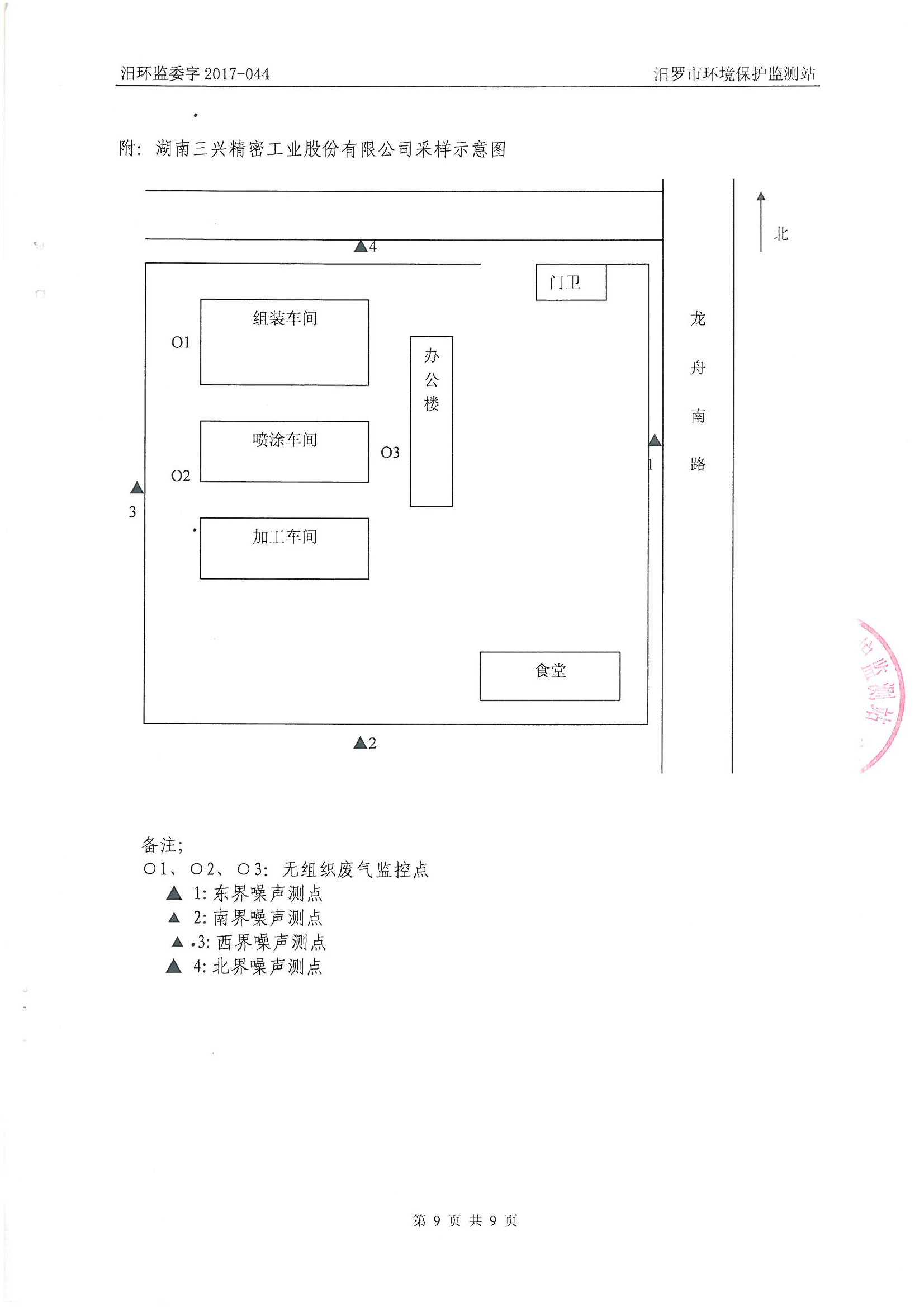
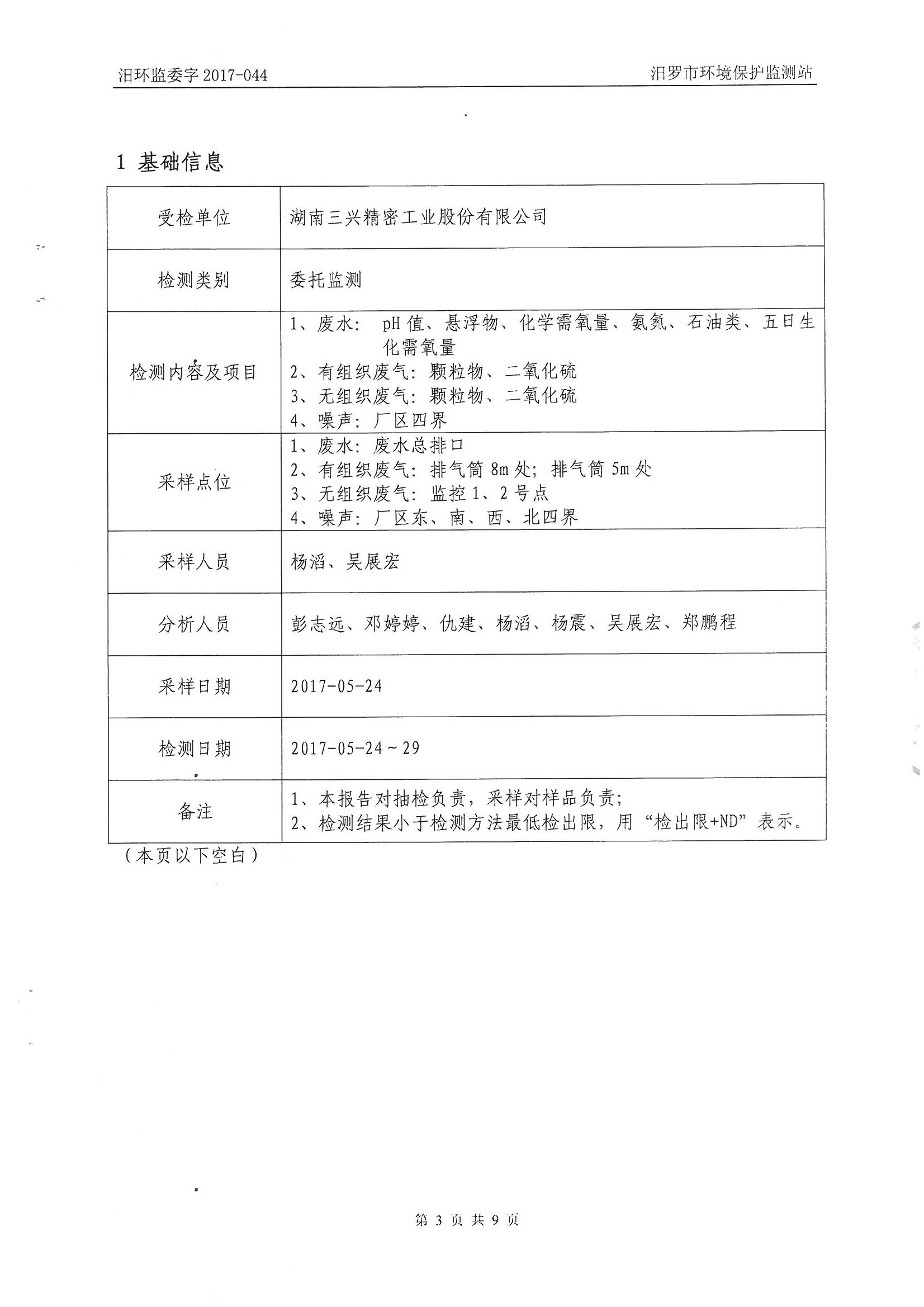
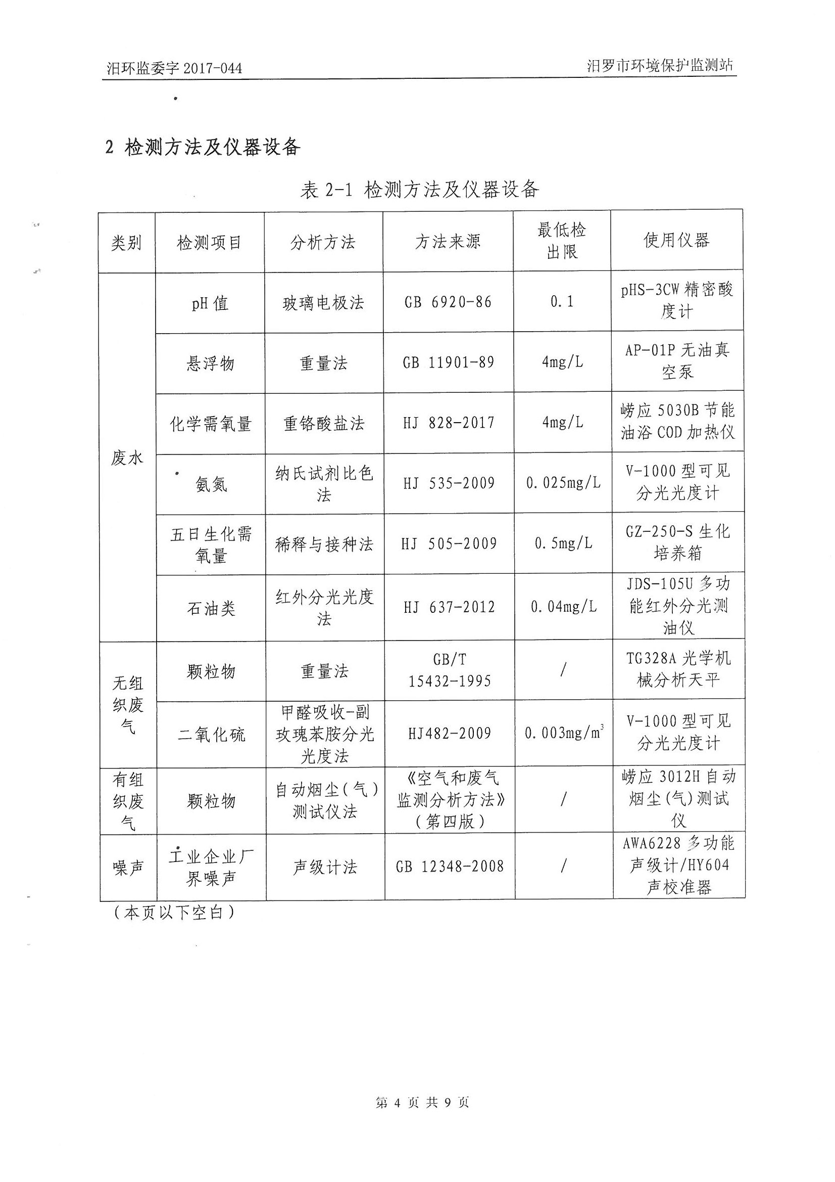
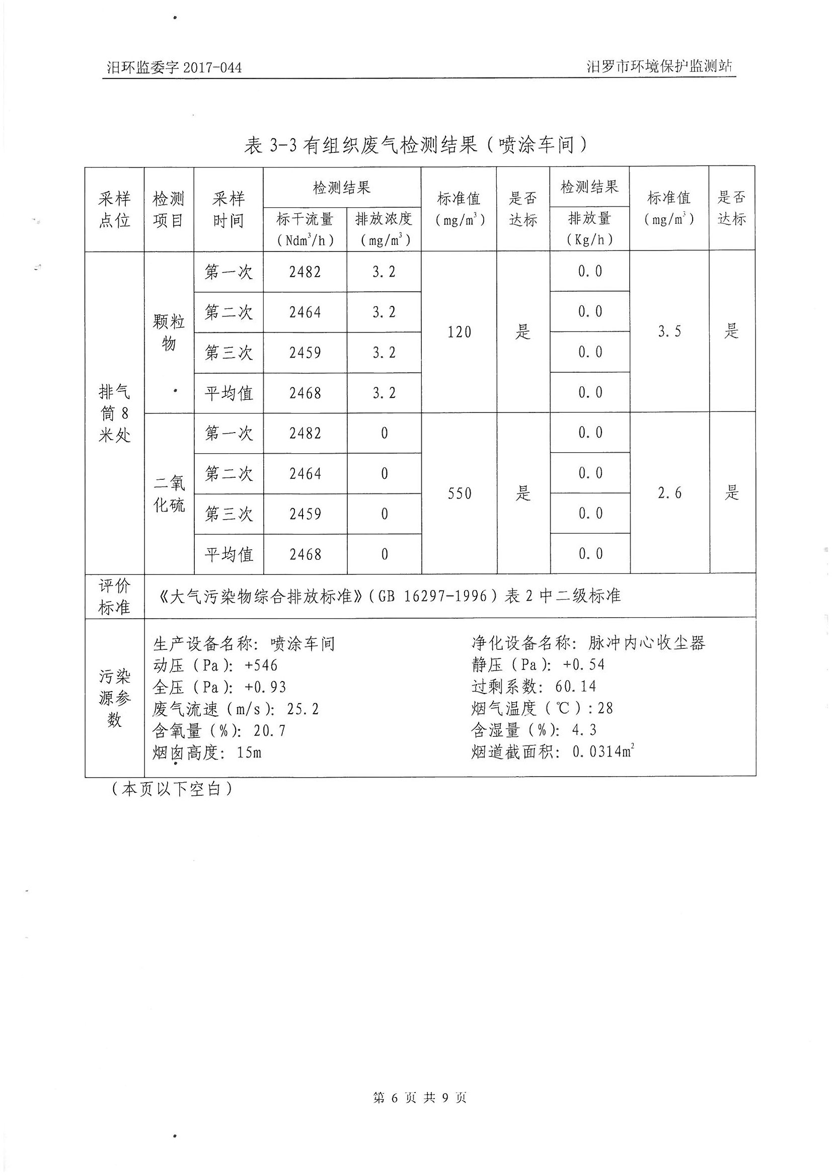
湖南三兴环保监测报告
所属分类:
技术动态
发布时间:
2017-08-22
分享到:
Copyright ? 2014-2016 湖南三兴 版权所有 湘ICP备17016185号 执照认证链接???
关闭